Haben Sie die Maschine nicht gefunden, die Sie gesucht haben? Kontaktieren Sie uns
APT International verfügt über 30.000 m² Lager in Belgien und 3.000 Maschinen sofort verfügbar.
Haben Sie die Maschine nicht gefunden, die Sie gesucht haben? Kontaktieren Sie uns

Senkrecht- Bearbeitungszentren CNC Chevalier X: 850 - Y: 510 - Z: 510 mm CNC

Technische Informationen

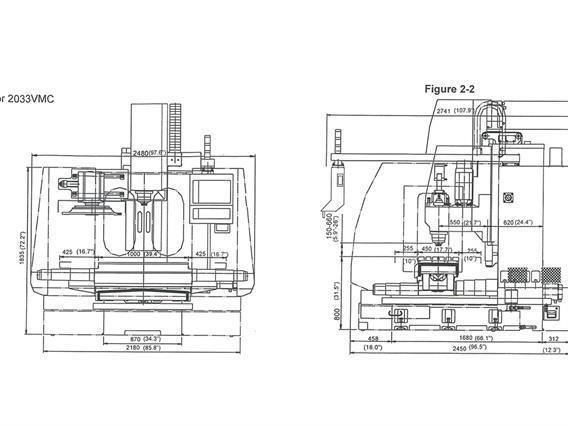
  • Vorschuss im längsrichtung tisch X-achse850 mm
  • Vorschuss im querrichtung kopf Y-achse 510 mm
  • Kopfverstellung im höhe Z-achse510 mm
  • Abmessungen tisch1000 x 450 mm
  • Ausladung (Ständer -- spindelzenter)550 mm
  • Spindelaufnahme (ISO)ISO 40
  • Leistung auf spindel7,5 kW
  • Steuering (type)Siemens 810
  • Achsen anzahl3 axes
  • Werkzeugwechsleryes
  • Anzahl werkzeughalters20 positions
  • Tourenzahl (von X bis Y rpm)8000 rpm
  • Leistung hauptmotor 15 kVa
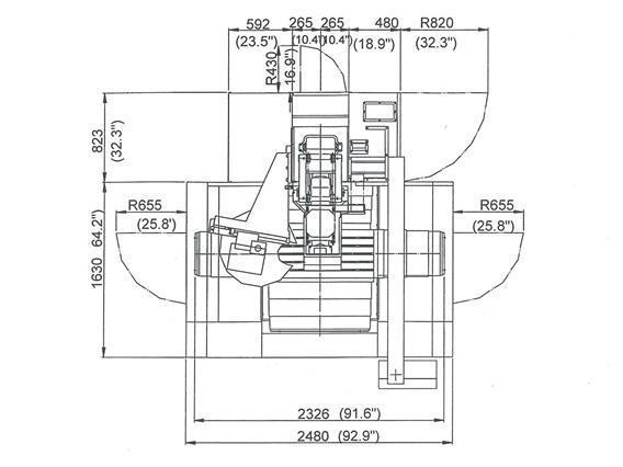
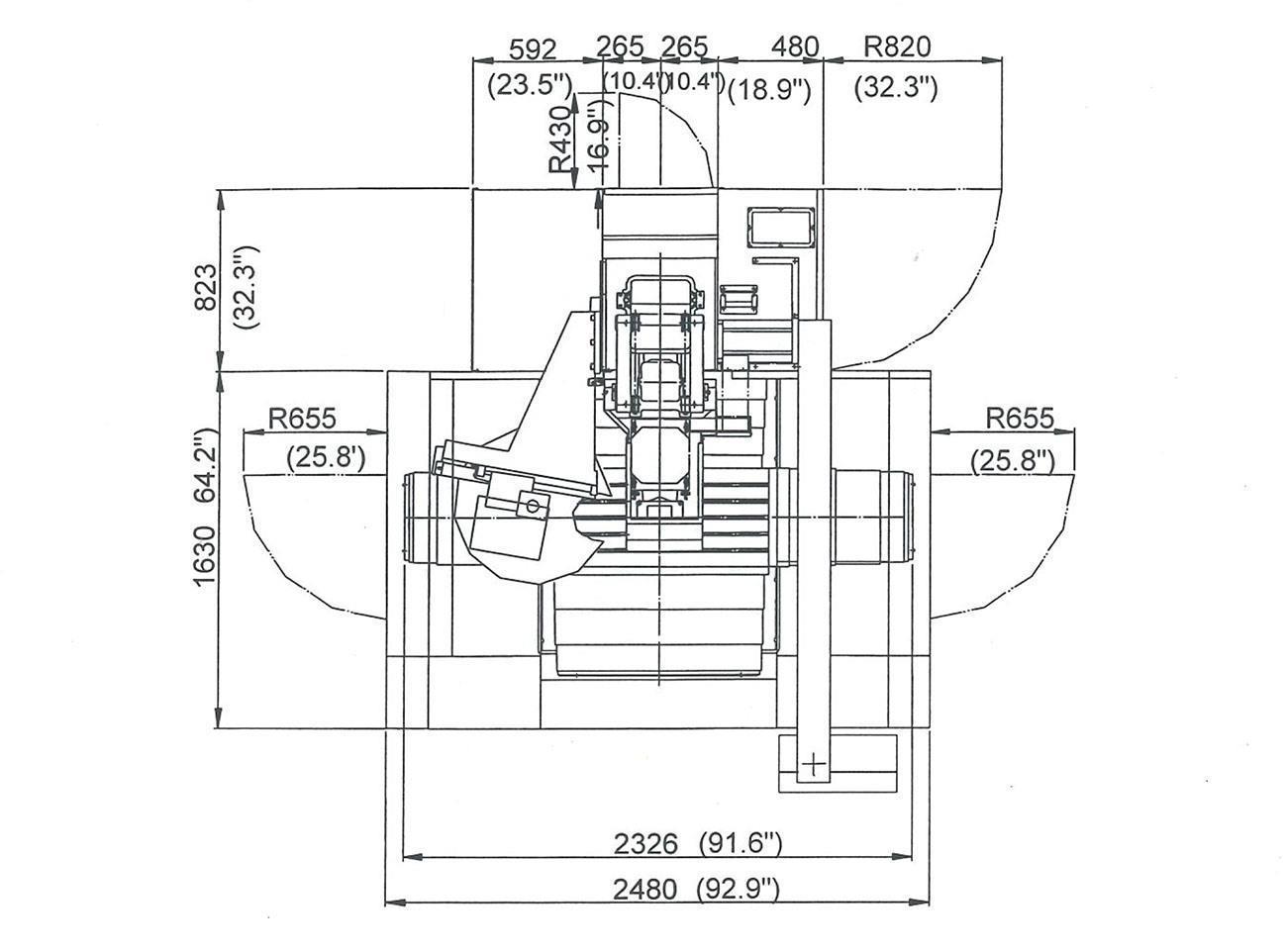
  • Länge L -- R2480 mm
  • Breite V - H2740 mm
  • Höhe2220 mm
  • Gewicht4,5 ton
  • ZUBEHÖRyes

Zusätzliche Informationen

Stocknummer: D.01 15923

Video von Maschinen

Promotionen in Ihre Mailbox
Probieren Sie unse neue Alert service