Haben Sie die Maschine nicht gefunden, die Sie gesucht haben? Kontaktieren Sie uns
APT International verfügt über 30.000 m² Lager in Belgien und 3.000 Maschinen sofort verfügbar.
Haben Sie die Maschine nicht gefunden, die Sie gesucht haben? Kontaktieren Sie uns

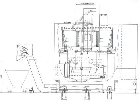
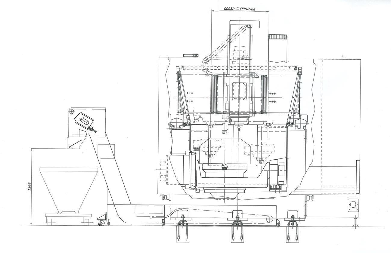
Senkrecht- Bearbeitungszentren CNC Breton Ultrix 800 X: 800 - Y: 900 - Z: 600 mm CNC

Technische Informationen

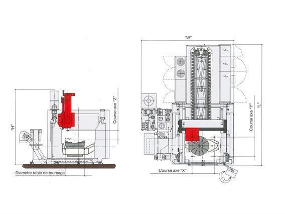
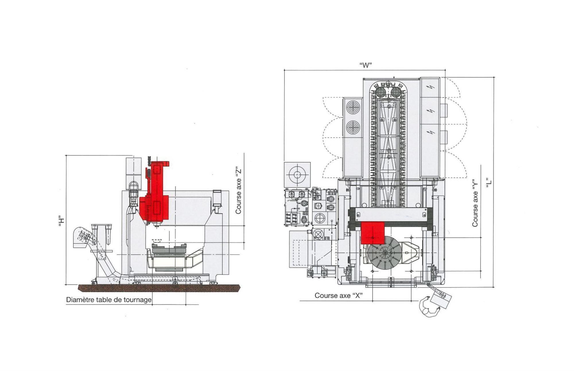
  • Vorschuss im längsrichtung tisch X-achse800 mm
  • Vorschuss im querrichtung kopf Y-achse 900 mm
  • Kopfverstellung im höhe Z-achse600 mm
  • Abmessungen tischdia 700 mm
  • Max gewicht auf dem tisch700 kg
  • Spindelaufnahme (ISO)HSK-E40/KM63
  • Leistung auf spindel45/40 kW
  • Bohr-kapazitätyes
  • Gewindebohrer-kapazitätyes
  • Steuering (type)Siemens 840D Solution Line
  • Achsen anzahl5
  • Werkzeugwechsleryes
  • Anzahl werkzeughalters150 positions
  • Tourenzahl (von X bis Y rpm)40 000 rpm!!
  • Länge L -- R4655 mm
  • Breite V - H5890 mm
  • Höhe3415 mm
  • Gewicht17 ton
  • Külhsystemyes

Zusätzliche Informationen

  • Typ: Ultrix 800 RT
    Die Ultrix 800 RT ist ein Multifunktions-Bearbeitungszentrum mit 5 interpolierten Achsen und einem beweglichen Portalaufbau für Hochgeschwindigkeitsfräsen, Drehen, Schleifen, Bohren, Gewindeschneiden, Schlichten, Entgraten und Schruppen komplexer Teile.
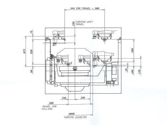
    Bei Verwendung zum Drehen > Vertikaldrehmaschine:
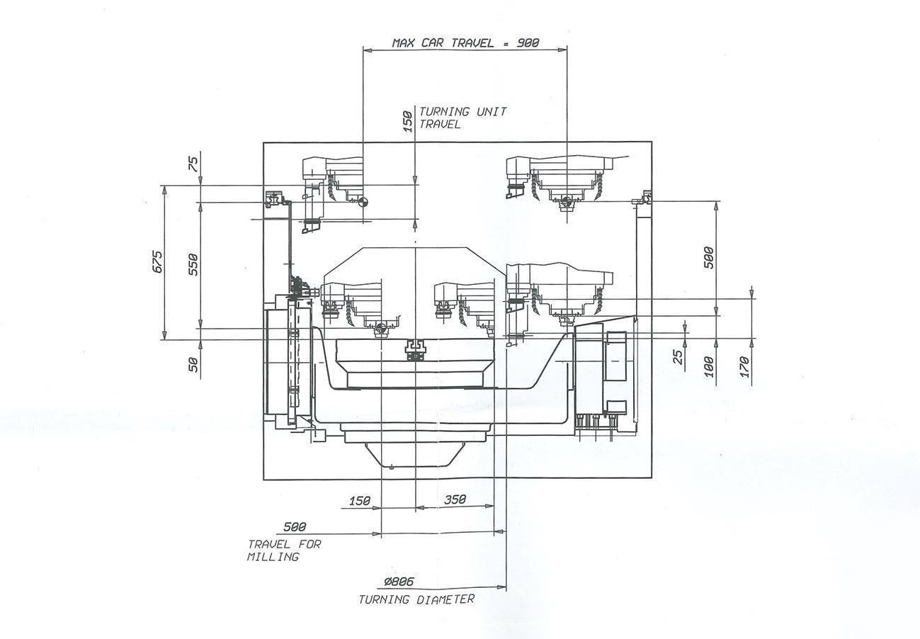
    - Schwenkbereich: 1100 mm
    - Maximales Gewicht des Werkstücks: 700 kg
    - 40/30 kW auf dem Tisch
    - Maximales Drehmoment auf dem Tisch: 1500 Nm
    - Maximale Drehzahl des Tisches: 800 U/min!!
    - hydraulische Klemmung auf dem Tisch
    - Werkzeugkegel zum Drehen: KM63
    - Werkzeugwechsler mit 150 Positionen, davon 24 zum Drehen.

    Bei Verwendung zum Fräsen, Schleifen, Bohren, ... > Bearbeitungszentrum:
    - X-Achse: 800 mm
    - Y-Achse: 900 mm
    - Z-Achse: 600 mm
    - A-Achse: -30° / 110°
    - C-Achse: kontinuierlich
    - Maximales Gewicht des Werkstücks: 700 kg
    - 55/40 kW an der Spindel
    - Maximales Drehmoment an der Spindel: 18/16 Nm
    - maximal 40.000 Umdrehungen pro Minute
    - Werkzeugkegel für Fräsen: HSK-E40
    - Werkzeugwechsler mit 150 Positionen und 126 Werkzeugaufnahmen zum Fräsen, Schleifen und Bohren

    Liste der am Gerät verbauten Optionen:
    1 - Hochgeschwindigkeitsspindel mit 40.000 U/min
    2 - Tischdurchmesser 700 mm mit hydraulischer Klemmung
    3-150-Positionen-Werkzeugwechsler
    4 - Späneförderband
    5 - Kühlsystem mit Rückgewinnung
    6 - Kühlmitteltemperaturregelung
    7 – Türspindel für Hochdruckkühlung (40 bis 70 bar).
    8 - Rauchabzugssystem
    9 - Chip-Sammelbox
    10 - Voreinstellungssystem und Werkzeugintegrität: Laser- und mechanische Sonde für Messgeräte
    11 - Renishaw-Sonde




  • Typ/Modell: Ultrix 800 X: 800 - Y: 900 - Z: 600 mm CNC
  • Stocknummer: D.01 16067
  • Hauptkategorie: [D] Bearbeitungszentren
  • Unterkategorie: [D.01] Senkrecht- Bearbeitungszentren CNC
  • Markenname: Breton

Stocknummer: D.01 16067

Video von Maschinen

Promotionen in Ihre Mailbox
Probieren Sie unse neue Alert service